Ticker

6/recent/ticker-posts

Advertisement

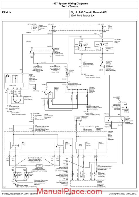
PDF Free Manual System Electric Ford Taurus 1997

Currently you are looking for an Free Manual System Electric Ford Taurus 1997 example that we provide here within some type of document formats many of these as PDF, Doc, Power Point, as well as images that will make it simpler for you to create an Free Manual System Electric Ford Taurus 1997 yourself. For a better look, you are able to open a few examples below. All the good examples about Free Manual System Electric Ford Taurus 1997 about this website, we get from many sources so you may create a better document of your own.

In case the search you acquire here does not match up what you are searching for, please use the research feature that we have got provided here. You are usually free to download something that we provide here, investment decision you won't cost you the particular slightest.

DOWNLOAD HERE

Everybody knows that reading Free Manual System Electric Ford Taurus 1997 is useful, because we can get a lot of information through the reading materials. Technology has developed, and reading Free Manual System Electric Ford Taurus 1997 books may be easier and simpler. We can read books on the mobile, tablets and Kindle, etc. Hence, there are many books getting into PDF format.

Listed below are some websites for downloading free PDF books which you could acquire the maximum amount of knowledge as you would like. Nowadays everybody, young and old, should familiarize themselves along with the growing eBook industry. Ebooks and eBook visitors provide substantial benefits above traditional reading. Ebooks slice down on the make use of of paper, as advocated by environmental enthusiasts. There are no fixed timings for study. There is usually no question of waiting-time for new editions. There is no transportation to the eBook shop. The books in an eBook store can be downloaded immediately, sometimes for free, at times for any fee.

Not merely that, the online version of books are typically cheap, because publication residences save their print in addition to paper machinery, the rewards of which are given to to customers. Further, the particular reach of the eBook shop is immense, allowing a person living in Sydney to source out to a publication house within Chicago. The newest trend in the online eBook world is actually are known as eBook libraries, or eBook packages. An eBook package is something out of the ordinary. That consists of a huge number of ebooks included together that are not easily obtainable at one individual place. So instead of hunting down and buying, say 100 literary classics, you can buy an eBook package which contains all these ebooks bundled together. These eBook libraries typically offer you a substantial savings, in addition to are usually offered within a number of formats to suit your brand of eBook reader. Large companies, such since Amazon or Barnes as well as Noble, tend to not carry these eBook libraries. If you want to purchase one of these libraries, you will have to search out independent eBook shops. These independent eBook shops typically package the eBook libraries by genre, in addition to have a wide selection of genres.